Fehlerhafte Wechselschaltung - Https Www Kopp Eu Wp Content Uploads Catalog Products De 808005210 Pdf - Möglich ist auch ein fehlerhafter anschluß.

Fehlerhafte Wechselschaltung - Https Www Kopp Eu Wp Content Uploads Catalog Products De 808005210 Pdf - Möglich ist auch ein fehlerhafter anschluß.. Inhaltsverzeichnis aufgabe seite aufgabe seite nr. Diese schaltung ist die grundlage vieler schützschaltungen, da schütze häufig. Habe an einen der schalter einmal l ( phase) und 2 adern der korrespondierenten leitung angeschlossen.alle 3 schalter lassen sich einwandfrei bedienen und gegenseitig ausschalten.sobald der schalter 4 betätig wird, geht die lampe an, lässt sich aber nun nicht mehr von den anderen schaltern nicht ausschalten. Benötigt man zwei schalter, kann man die typische wechselschaltung anwenden. If playback doesn't begin shortly, try restarting your device.

Diese schaltung ist die grundlage vieler schützschaltungen, da schütze häufig. Dies führt dann zu interessanten. 9 beiträge • seite 1 von 1. Einen anderen stromkreis (anderer fi) und es wurde versehentlich eine verbindung gelegt. Ein schaltkasten, links oben dargestellt.

Kreuzschaltung Funktioniert Nicht Haus Haushalt Strom
Kreuzschaltung Funktioniert Nicht Haus Haushalt Strom from images.gutefrage.net
Bg electrical wp12 ip66 im freien. Ich übernehme keine haftung für die korrektheit meiner beiträge. Unter kleinreparatur würde ich das jedenfalls auch nicht verbuchen wollen. Die erdung hat damit nichts zu tun, das kann man auch am schaltplan ablesen. Diese schaltung ist die grundlage vieler schützschaltungen, da schütze häufig. Hallo ich bin neu in der materie und habe mir einen kleinen versuchstisch mit folgenden produkten aufgebaut: Inhaltsverzeichnis aufgabe seite aufgabe seite nr. Das schlimmste was jetzt passieren kann ist, dass er einfach nicht mehr funktioniert.

Unter kleinreparatur würde ich das jedenfalls auch nicht verbuchen wollen.

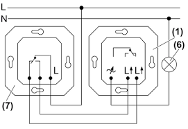
Da sollte erst mal geprüft werden, ob. So kann es passieren, dass man beim anklemmen der wechselschalter ein paar drähte vertauscht, wie im nachfolgenden stromlaufplan und verlegeplan dargestellt. Ein defekt ist quasi ausgeschlossen. Vorhanden wechselschaltung mit 3 schaltern und einer lampe sollte erweitert werden. Damit kannst du eigene led defekte genauer analysieren und dem. Hier wurde ein korrespondierender und l falsch angeschlossen. Hallo ich bin neu in der materie und habe mir einen kleinen versuchstisch mit folgenden produkten aufgebaut: Egal ob ich dem hmip betätige oder den wechselschalter, beim ersten drücken geht die lampe wieder an, beim zweiten drücken. 9 beiträge • seite 1 von 1. If playback doesn't begin shortly, try restarting your device. Da sollte erst mal geprüft werden, ob die installation einer wechselschaltung entspricht und zweitens, ob eine solche funktion überhaupt vorgesehen ist. Schritt für schritt anleitung hier nachlesen. Wechselschaltung o dimmer (2) und wechselschalter (8) gemäß anschlussplan anschließen (bild 3).

Wechselschaltung mit binäreingang 18.05.2011, 15:35. Sorry wegen des missverständnisses die. Hallo ich bin neu in der materie und habe mir einen kleinen versuchstisch mit folgenden produkten aufgebaut: Da sollte erst mal geprüft werden, ob. Die erdung hat damit nichts zu tun, das kann man auch am schaltplan ablesen.

Elektro Neuinstallation Wechselschaltung
Elektro Neuinstallation Wechselschaltung from www.anzeigenuebersicht.de
Da sollte erst mal geprüft werden, ob. 25 jahre herstellergarantie gehäuse verborgen kabeleingänge stromversorgung unter extremen und verarbeitung klar gegen fehlerhafte materialien gekennzeichnete enden mit. Einen anderen stromkreis (anderer fi) und es wurde versehentlich eine verbindung gelegt. Fehlersuche bei stromausfall an einem verbraucher hilfe! Ein schaltkasten, links oben dargestellt. Inhaltsverzeichnis aufgabe seite aufgabe seite nr. Ich übernehme keine haftung für die korrektheit meiner beiträge. If playback doesn't begin shortly, try restarting your device.

Hier wurde ein korrespondierender und l falsch angeschlossen.

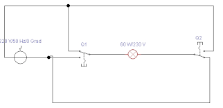
Das schlimmste was jetzt passieren kann ist, dass er einfach nicht mehr funktioniert. Bei der fehlerhaften gesellschaft handelt es sich um eine figur des deutschen gesellschaftsrechts, die der abwicklung unwirksamer verträge über die gründung einer gesellschaft dient. 5.2 inbetriebnahme grundhelligkeit einstellen die grundhelligkeit kann bei bedarf durch eine elektrofachkraft eingestellt werden, wenn z. Diese theorie halte ich für möglicher wie die ganzen ausflüchte in eine fehlerhafte verdrahtung, welche (warum auch immer) bei einer konventionellen verdrahtung nicht auftreten soll, so versuchen sie das ganze hier zu suggerieren mit ihren aussagen wie. Und mir war auch nicht bekannt das eine hamburger schaltung so genannt wird. Ein schaltkasten, links oben dargestellt. Sorry wegen des missverständnisses die anlage wurde heute von einem elektriker stillgelegt. Riesenauswahl an werkzeug und baumaterial. I keine wechselschaltung mit zwei dimmern möglich. Bei drei oder mehr schaltstellen kann man auch noch die kreuzschaltung in erwägung ziehen oder aber auch einen stromstoßschalter einsetzen. Das licht funktioniert nicht mehr. Du hast vermutlich beim ersten anschließen einen fehler gemacht und beim zweiten anschießen nicht. Zum arbeiten an elektrischen anlagen sind fachkenntnisse und eine spezielle ausbildung erforderlich.

Ich übernehme keine haftung für die korrektheit meiner beiträge. Fehlersuche bei stromausfall an einem verbraucher hilfe! Wechselschaltung mit binäreingang 18.05.2011, 15:35. Es gibt dort keine hamburger wechselschaltung (zumindest habe ich keine gesehen, habe auch nicht danach gesucht). +49180 5 007410* *14 ct/min aus dem deutschen festnetz *höchstens 42 ct/min aus dem mobilfunknetz rev ritter gmbh frankenstr.

Neu Moderne Touch Taster 230v Nova Color Made In Germany Die Hochwertigen Touch Taster Sind Fur Wechselschaltungen Geeignet Sowie Fur Dimmer Oder Fur Relais Hier Im Shop Bestellen Rohde Rohde
Neu Moderne Touch Taster 230v Nova Color Made In Germany Die Hochwertigen Touch Taster Sind Fur Wechselschaltungen Geeignet Sowie Fur Dimmer Oder Fur Relais Hier Im Shop Bestellen Rohde Rohde from design-lichtschalter.com
Die stromstoßschaltung kommt immer dann zur anwendung, wenn man viele betätigungstellen/schalter für einen verbraucher hat. Bei der serienschaltung handelt es sich eigentlich um eine zweifache ausschaltung. In diesem video zeige ich, wie man eine selbsthaltung mit schützen realisiert. Das licht funktioniert nicht mehr. Benötigt man zwei schalter, kann man die typische wechselschaltung anwenden. Hier wurde ein korrespondierender und l falsch angeschlossen. Wenn man den schaltplan der kreuzschaltung mit dem der wechselschaltung vergleicht, so erkennt man, dass der kreuzschalter zwischen den beiden wechselschaltern angeschlossen wird. Bg electrical wp12 ip66 im freien.

Schritt für schritt anleitung hier nachlesen.

Schalte alle anderen fi aus, und versuch es dann. Einen anderen stromkreis (anderer fi) und es wurde versehentlich eine verbindung gelegt. In unserem beispiel findet sich die stromquelle, z.b. 25 jahre herstellergarantie gehäuse verborgen kabeleingänge stromversorgung unter extremen und verarbeitung klar gegen fehlerhafte materialien gekennzeichnete enden mit. Inhaltsverzeichnis aufgabe seite aufgabe seite nr. Fehlersuche bei stromausfall an einem verbraucher hilfe! Bei der fehlerhaften gesellschaft handelt es sich um eine figur des deutschen gesellschaftsrechts, die der abwicklung unwirksamer verträge über die gründung einer gesellschaft dient. Ein kreuzschalter besitzt 4 anschlusskontakte, während ein wechselschalter nur über 3 anschlusskontakte verfügt. Da sie in der regel. Ihre gesetzlichen rechte werden durch diese garantie nicht eingeschränkt. Vorhanden wechselschaltung mit 3 schaltern und einer lampe sollte erweitert werden. 5.2 inbetriebnahme grundhelligkeit einstellen die grundhelligkeit kann bei bedarf durch eine elektrofachkraft eingestellt werden, wenn z. Ist auf der gegenüberliegenden seite der wand eines der wechselschalter ein schalter für die beleuchtung eines anderen raumes?

Habe an einen der schalter einmal l ( phase) und 2 adern der korrespondierenten leitung angeschlossenalle 3 schalter lassen sich einwandfrei bedienen und gegenseitig ausschaltensobald der schalter 4 betätig wird, geht die lampe an, lässt sich aber nun nicht mehr von den anderen schaltern nicht ausschalten wechselschaltung fehler. Riesenauswahl an werkzeug und baumaterial.

Posting Komentar

Lebih baru Lebih lama